EMS20, Shear Web Force Sensor
- Strain gauge–based measuring principle
- For both tension and compression measurement
- Made of high-grade stainless steel or aluminum (0.05–5 kN)
- Compact and lightweight design
- Available with optional built-in signal conditioner (EMS21)
- Overload protection up to 130% of rated capacity
- IP54 protection class
- Easy installation with threaded mounting
The EMS20 Shear-Web Force Sensor is a general-purpose load cell designed for precise tension and compression force measurements. Based on strain gauge technology, it provides a stable and linear output with low hysteresis and creep, making it suitable for both static and dynamic measurements.
Available in rated capacities from 0.05 kN to 5 kN, the EMS20 offers flexibility across a wide range of industrial, research, and machine integration applications. Constructed from stainless steel or aluminum (for lower ranges), the sensor ensures durability and long-term reliability even under challenging conditions.
When paired with the EMS169 signal conditioner, the EMS20 delivers standard analog outputs (0–10 V, ±10 V, or 4–20 mA) for straightforward system integration. Its compact geometry and threaded design make it easy to install directly into machines or test fixtures where axial force measurement is required.
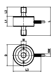
Outline dimensions

Recommended installation

| Type | Rod Type |
| Application | Tension & Compression |
| Full Scale | 11.2 lbs |
| 22.5 lbs | |
| 45 lbs | |
| 112 lbs | |
| 225 lbs | |
| 450 lbs | |
| 1124 lbs | |
| Excitation | 5 V - 7 V DC |
| 7 V - 10 V DC | |
| IP Rating | IP54 |
| Min Temperature | -10 °C |
| Max Temperature | 70 °C |
| Construction | Aluminium |
| Stainless steel |
| EMS20-0.05kN | 0.05 kN, Aluminum, 1.0 mV/V |
| EMS20-0.5kN | 0.5 kN Aluminum 1.5 mV/V |
| EMS20-1kN | 1.0 kN Stainless Steel 1.5 mV/V |
| EMS20-2kN | 2.0 kN Stainless Steel 1.5 mV/V |
| EMS20-5kN | 5.0 kN Stainless Steel 1.5 mV/V |
EMS20 Datasheet Datasheet |
EMS20-50N Drawings |
EMS20-100N, 200N, 500N Drawings |
EMS20-1N,2N,5N Drawings |
- Strain gauge measuring system (full-bridge)
- Designed for tension and compression force measurement
- Rated capacities from 0.1 kN to 5 kN (22 lb – 1124 lb)
- Constructed from aluminum (≤ 0.5 kN) or stainless steel (≥ 1 kN)
- Compact body with threaded mounting (M6/M8)
- Excellent linearity and hysteresis ≤ 0.25 % FS
- Safe overload 130 % FS, ultimate overload 150 % FS
- Compatible with EMS169 signal conditioner for ±10 V or 4-20 mA outputs
| Type | Shear-Web |
| Application | Tension & Compression |
| Full Scale | 22.5 lbs, 45 lbs, 112 lbs, 225 lbs, 450 lbs, 1124 lbs |
| Precision | ±0.25 % FS |
| IP Rating | IP54 |
| Min Temperature | -10 °C |
